昊梵体育网

电子及工控讲解的文章

我们在开车时会听到发动机的微微震动声,那发动机里面的零件每秒钟要摩擦几十甚至上百

我们在开车时会听到发动机的微微震动声,那发动机里面的零件每秒钟要摩擦几十甚至上百

我们在开车时会听到发动机的微微震动声,那发动机里面的零件每秒钟要摩擦几十甚至上百
今天看到了一篇文章写关于介绍城阳电工事迹的。看过之后,我想城阳电工确实有许多我们

今天看到了一篇文章写关于介绍城阳电工事迹的。看过之后,我想城阳电工确实有许多我们

今天看到了一篇文章写关于介绍城阳电工事迹的。看过之后,我想城阳电工确实有许多我们
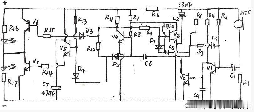
在路上,一位朋友问:“这是一幅什么功能的电路图?”

我打开他发来的这张电路图,

在路上,一位朋友问:“这是一幅什么功能的电路图?” 我打开他发来的这张电路图,

在路上,一位朋友问:“这是一幅什么功能的电路图?” 我打开他发来的这张电路图,
电工接线规范很重要,一位电工在户外布线,从电线颜色的选取,再到布线的工艺,简直无

电工接线规范很重要,一位电工在户外布线,从电线颜色的选取,再到布线的工艺,简直无

电工接线规范很重要,一位电工在户外布线,从电线颜色的选取,再到布线的工艺,简直无
为什么电工都是夜班的多?今天一位在工厂上班的朋友道出了实情。他说:晚上电费便宜,

为什么电工都是夜班的多?今天一位在工厂上班的朋友道出了实情。他说:晚上电费便宜,

为什么电工都是夜班的多?今天一位在工厂上班的朋友道出了实情。他说:晚上电费便宜,
无论做什么事情都不要眼高手低,看着会,一做就废。学习电子技术也是如此,学习电子技

无论做什么事情都不要眼高手低,看着会,一做就废。学习电子技术也是如此,学习电子技

无论做什么事情都不要眼高手低,看着会,一做就废。学习电子技术也是如此,学习电子技

感谢各位小伙伴的分享[握手][作揖]

感谢各位小伙伴的分享[握手][作揖]
在与几位朋友聊天,有一位朋友说了这样一句话:“搞内燃机的博导,三十年,没有搞出高

在与几位朋友聊天,有一位朋友说了这样一句话:“搞内燃机的博导,三十年,没有搞出高

在与几位朋友聊天,有一位朋友说了这样一句话:“搞内燃机的博导,三十年,没有搞出高
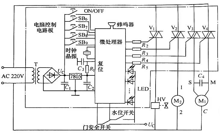
洗衣机一般有波轮式的和滚筒式的两种,现在它们的电路控制主板都大同小异,今天给各位

洗衣机一般有波轮式的和滚筒式的两种,现在它们的电路控制主板都大同小异,今天给各位

洗衣机一般有波轮式的和滚筒式的两种,现在它们的电路控制主板都大同小异,今天给各位
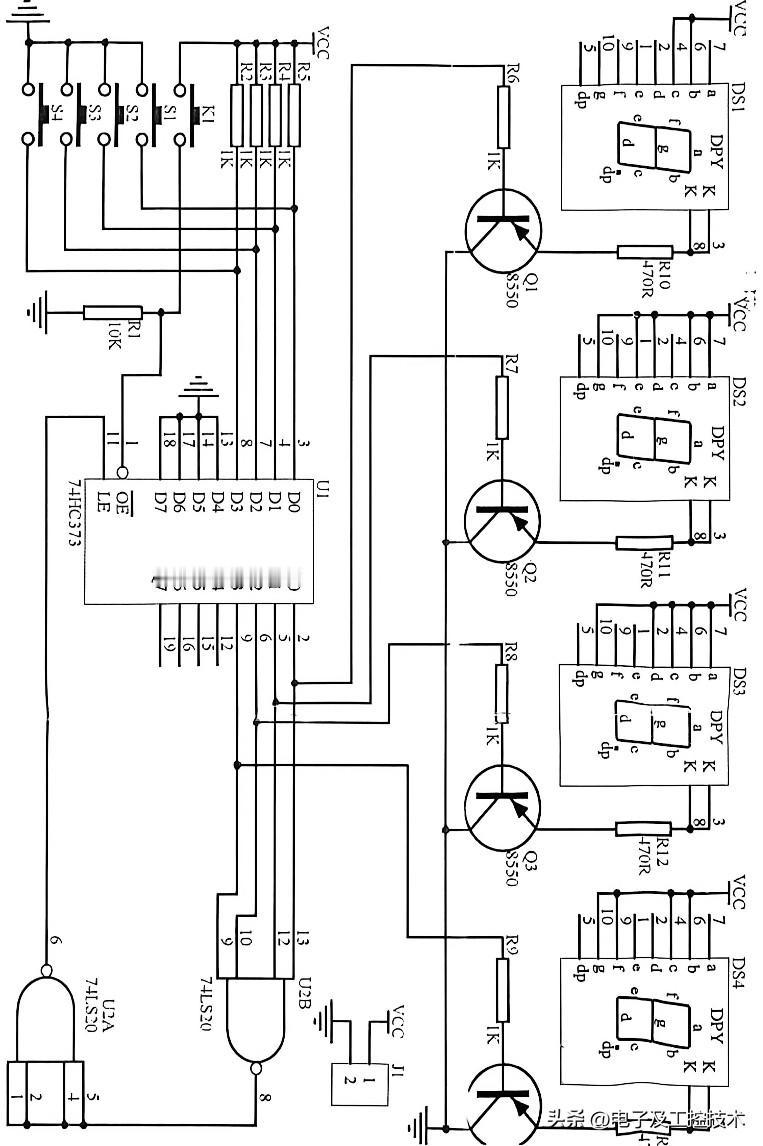
今天准备用供电电压为5V 的直流电作为电源,制作一个四路抢答器。这个抢答器主要元

今天准备用供电电压为5V 的直流电作为电源,制作一个四路抢答器。这个抢答器主要元

今天准备用供电电压为5V 的直流电作为电源,制作一个四路抢答器。这个抢答器主要元

涨知识,用电更懂珍惜了

涨知识,用电更懂珍惜了
我记得以前手机的充电器有一个叫万能充电器的,当时手机里的电池是很方便口下来,根据

我记得以前手机的充电器有一个叫万能充电器的,当时手机里的电池是很方便口下来,根据

我记得以前手机的充电器有一个叫万能充电器的,当时手机里的电池是很方便口下来,根据

未来输电技术会更强吧

未来输电技术会更强吧
朋友们知道我们每天用到的电是如何产生的,又是如何输送的吗?今天给你分享一下。

朋友们知道我们每天用到的电是如何产生的,又是如何输送的吗?今天给你分享一下。

朋友们知道我们每天用到的电是如何产生的,又是如何输送的吗?今天给你分享一下。
人们都说一个地区的用电量是这个地区的“晴雨表”,我看了一下,在去年GDP排名前几

人们都说一个地区的用电量是这个地区的“晴雨表”,我看了一下,在去年GDP排名前几

人们都说一个地区的用电量是这个地区的“晴雨表”,我看了一下,在去年GDP排名前几

40分钟接线,毅力满分

40分钟接线,毅力满分

讲得真细,一看就懂了//@充电机方案供应商老谢:这里I是定值,Vb1一Vb2也是

讲得真细,一看就懂了//@充电机方案供应商老谢:这里I是定值,Vb1一Vb2也是
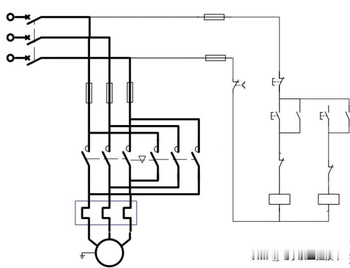
“接触器联锁正反转,我成啦”,一位学低压电工的朋友对自己完成的电路很有成就感,看

“接触器联锁正反转,我成啦”,一位学低压电工的朋友对自己完成的电路很有成就感,看

“接触器联锁正反转,我成啦”,一位学低压电工的朋友对自己完成的电路很有成就感,看
电路的设计有时候真是需要有较高的洞察力才行。这不,今天与一位网友在线交流一个简单

电路的设计有时候真是需要有较高的洞察力才行。这不,今天与一位网友在线交流一个简单

电路的设计有时候真是需要有较高的洞察力才行。这不,今天与一位网友在线交流一个简单
单篇内容获得阅读量破5万啦!

单篇内容获得阅读量破5万啦!

单篇内容获得阅读量破5万啦!